380V 180法兰 4.4KW 伺服电机
HB系列伺服电机
关注次数:次
商品类型:380V
HB系列采用自然冷却的永磁同步电机,通过电机表面散热,支持最高IP67防护等级。其350%的过载能力可轻松应对高负载扭矩需求,大幅提升生产效率。
HB电机转矩——转速特性
380V机型

过载特性
本产品具有电机过载、过热保护功能,且已满足 NEC 和 CEC 的要求。为了对不同的负载电机进行有效保护,需要根据电机过载能力对电机过载保护增益进行设置。保护增益一般保持为默认值,但发生以下情况时,可根据电机实际发热情况进行更改:
1. 电机工作环境温度较高的场合;
2. 电机循环运动,且单次运动周期短、频繁加减速的场合。
电机过载保护为反时限曲线,如下图所示:

负载转动惯量
负载转动惯量表示负载的惯量。负载转动惯量越大,响应性越差,导致运动不稳定。伺服电机的允许负载转动惯量的大小受限,且该值会因伺服电机的驱动条件而异。在超过允许负载转动惯量的情况下使用时,减速时会发生过电压警报。此外,伺服驱动器内置制动电阻时,会发生“过载警报”。发生此类警报时,可采取以下任一措施:
1. 减小转矩限制值。
2. 减小减速曲率。
3. 降低最高转速。
采取以上措施后仍无法解除警报时,需要外置制动电阻。

无外置再生电阻的情况下使用未内置再生电阻的伺服时,转速对应的允许负载转动惯量的倍率如下列图所示。(图为在 200V AC 输入、额定转矩以上的输入条件下进行减速动作时的参考值。)


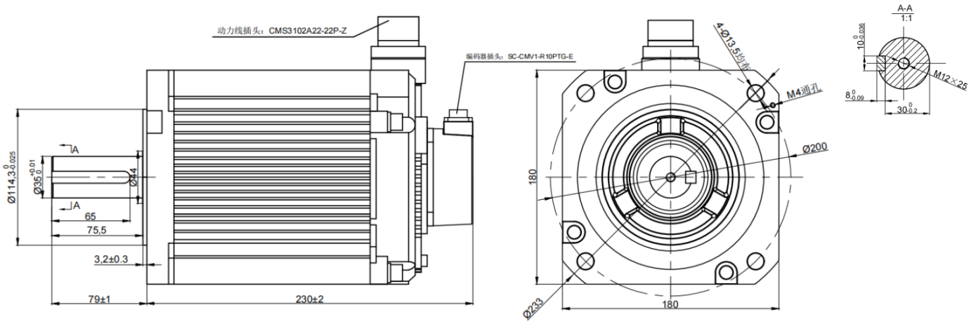
注:示意图仅供参考,与电机对应关系及尺寸信息参考配套关系及图纸,注意电机侧与线缆侧的镜像关系。
项目(HB-XXXXXXXXXX) | HB180-28415EBD3-W(抱闸) | HB180-28415EBD1-W(非抱闸) |
额定功率(W) | 4400 | |
额定电流(A) | 15.5 | |
最大电流(A) | 46.5 | |
额定转矩(N·m) | 28.4 | |
最大转矩(N·m) | 85 | |
转子惯量(10-4·kg·m²) | 86 | 78.2 |
额定转速(rpm) | 1500 | |
最大转速(rpm) | 3000 | |
额定电压(V) | 380 | |
HB180-28415EBD3-W(抱闸)

HB180-28415EBD1-W(非抱闸)
